DIN964 ISO 2010 BOMBE BAŞ VİDA
DIN964 ISO 2010
HAVŞA BOMBE BAŞ VİDA
Eş Değer Normlar: DIN EN ISO 2010 ISO 2010; CSN 021155; PN 82211; UNI 6110;
IN 964 – Slotted raised countersunk oval head screws
Sepette ₺ 6,070.78 ve üstü için kargo bedava
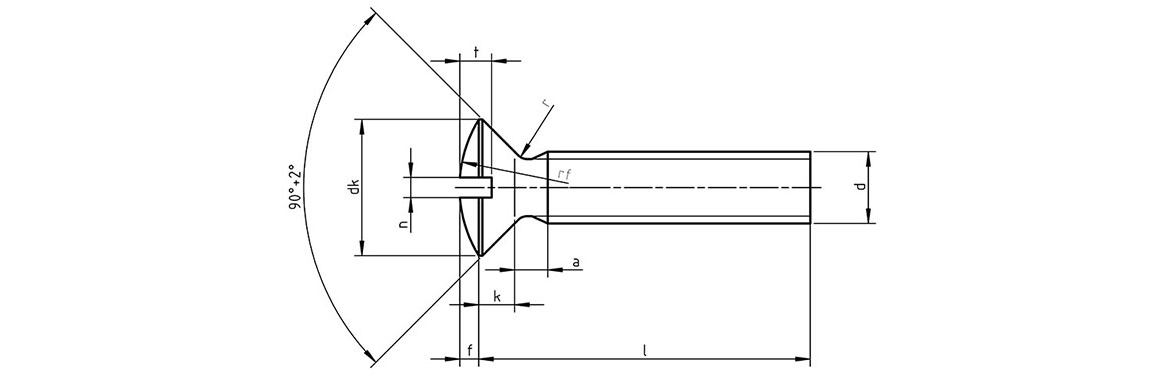
Teknik Çizim
Teknik Bilgiler Tablosu
| Ölçü d | M3 | M4 | M5 | M6 |
| Diş Adımı | 0,5 | 0,7 | 0,8 | 1 |
| a max. | 1 | 1,4 | 1,6 | 2 |
| dk | 5,6 | 7,5 | 9,2 | 11 |
| dk min. | 5,3 | 7,14 | 8,84 | 10,57 |
| f | 0,75 | 1 | 2,5 | 3 |
| k max. | 1,65 | 2,2 | 1,25 | 1,5 |
| n | 0,8 | 1 | 1,2 | 1,6 |
| n min. | 0,86 | 1,06 | 1,26 | 1,66 |
| n max. | 1 | 1,2 | 1,51 | 1,91 |
| r max. | 0,3 | 0,4 | 0,5 | 0,6 |
| rf | 6 | 8 | 10 | 12 |
| t min. | 1,2 | 1,6 | 2 | 2,4 |
| t max. | 1,45 | 1,9 | 2,3 | 2,8 |
GÜVENLİ ÖDEME
Anında Ödeme Yapaiblirsiniz
KALİTELİ ÜRÜN
Kaliteyi Hissedin
GÜVENLİ ALIŞVERİŞ
Kaliteli Hizmet
24 SAAT İÇİNDE KARGO
15:00'e kadar aynı gün kargo avantajı
ALTIKÖŞE CİVATALAR
İMBUS CİVATALAR
SETSKURLAR
METRİK VİDALAR
SOMUNLAR
PULLAR
SAC VİDALARI
AHŞAP VİDALARI
TORKS VİDALAR
GÜVENLİK VİDALARI
PLASTİK DİŞ CİVATALAR
PASLANMAZ & PİRİNÇ VİDALAR
POLYAMİD PLASTİK CİVATALAR
PLASTİK SOMUNLAR
PLASTİK PULLAR
VİDA CİVATA KORUMA KAPAKLARI
MİKRO MİNİK VİDALAR
PLASTİK KAPAK TAPALAR
ÇEŞİTLİ CİVATALAR
MAKİNA BAĞLANTI ELEMANLARI 





