DIN551 ISO4766 TORNAVİDA YARIKLI SETSKUR CIVATA
DIN 551 ISO 4766
TORNAVİDA YARIKLI
SETSKUR CIVATA
Slotted set screws
DIN 551 ; ISO 4766 ; CSN 021181; PN 82272; UNI 4766; EU 24766;
Sepette ₺ 6,070.78 ve üstü için kargo bedava
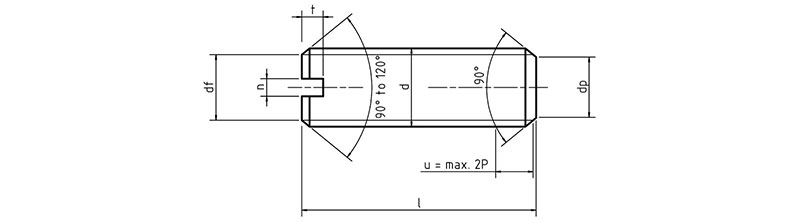
Teknik Çizim
Teknik Bilgiler Tablosu
| Ölçü d | M3 | M4 | M5 | M6 | M8 | M10 | M12 |
| Diş Adımı | 0,50 | 0,70 | 0,80 | 1,00 | 1,25 | 1,50 | 1,75 |
| dp max. | 2,00 | 2,50 | 3,50 | 4,00 | 5,50 | 7,00 | 8,50 |
| dp min. | 1,75 | 2,25 | 3,20 | 3,70 | 5,20 | 6,67 | 8,14 |
| n | 0,40 | 0,60 | 0,80 | 1,00 | 1,20 | 1,60 | 2,00 |
| n max. | 0,46 | 0,66 | 0,86 | 1,06 | 1,26 | 1,66 | 2,06 |
| n min. | 0,60 | 0,80 | 1,00 | 1,20 | 1,51 | 1,91 | 2,31 |
| t min. | 0,80 | 1,12 | 1,28 | 1,60 | 2,00 | 2,40 | 2,80 |
| t max. | 1,05 | 1,45 | 1,63 | 2,00 | 2,50 | 3,00 | 3,60 |
GÜVENLİ ÖDEME
Anında Ödeme Yapaiblirsiniz
KALİTELİ ÜRÜN
Kaliteyi Hissedin
GÜVENLİ ALIŞVERİŞ
Kaliteli Hizmet
24 SAAT İÇİNDE KARGO
15:00'e kadar aynı gün kargo avantajı
ALTIKÖŞE CİVATALAR
İMBUS CİVATALAR
SETSKURLAR
METRİK VİDALAR
SOMUNLAR
PULLAR
SAC VİDALARI
AHŞAP VİDALARI
TORKS VİDALAR
GÜVENLİK VİDALARI
PLASTİK DİŞ CİVATALAR
PASLANMAZ & PİRİNÇ VİDALAR
POLYAMİD PLASTİK CİVATALAR
PLASTİK SOMUNLAR
PLASTİK PULLAR
VİDA CİVATA KORUMA KAPAKLARI
MİKRO MİNİK VİDALAR
PLASTİK KAPAK TAPALAR
ÇEŞİTLİ CİVATALAR
MAKİNA BAĞLANTI ELEMANLARI 



